
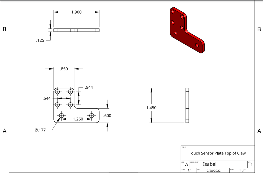
We use the Touch Sensor Plate to attach a touch sensor at the top of our claw. This lets us know when the claw has reached the top and stops it from going too far.

We use the Touch Sensor Plate to attach a touch sensor at the top of our claw. This lets us know when the claw has reached the top and stops it from going too far.